Шаровой газовый кран(фланцевый) GSBV-F
(Код товара: 147-13-361)
| Менеджер: | Владислав Викторович Боровик |
| Многоканальный тел./факс: | |
| Харьков: | (доб. 147) |
| Киевстар: | (доб. 147) |
| МТС: | (доб. 147) |
| Лайф: | (доб. 147) |
| E-mail: | |
Кран шаровой фланцевый предназначен для установки в качестве запорных устройств наружного и внутреннего применения на трубопроводах, транспортирующих:
неочищенный от механических примесей природных газ по ГОСТ 5542-87
очищенный от механических примесей природный газ, паровые и жидкие фазы сжиженных углеводородов.
Краны устанавливаются на газопроводах низкого, среднего и высокого давления, а также на газорегуляторных станциях в качестве запорных устройств. Позволяют вручную остановить поток газа в случае необходимости.
Технические характеристики
|
Рабочая среда |
природный газ, сжиженный газ, вода, воздух, нефтепродукты |
|
Размер Ду (мм) |
от 50 до 400 |
|
Тип соединения |
фланцевый |
| Максимальное рабочее давление |
ANSI # 150 - 2 МПа |
|
Тип корпуса |
разъемный |
|
Материал Корпуса |
ASTM A216-WCB |
|
Тип Шара |
самоустанавливающийся |
|
Шар/покрытие |
A105/E.N.P |
|
Тип отверстии |
свободное проходное сечение |
|
Устройство управления |
динамический винт |
|
Седло |
ПТФЭ (политетрафторэтилен) |
|
Болты/Гайки |
A193-B7/A194-2H |
|
Антистатическое устройство |
Да |
|
Анти-разрушительный шток |
Да |
|
Усилие поворота ручки |
150 Н |
|
Класс герметичности |
А ГОСТ 9544-93, тестировка 48 час |
|
Температурный интервал |
от -29 оС до +66 оС |
|
Минимальный ресурс |
30000 циклов |

|
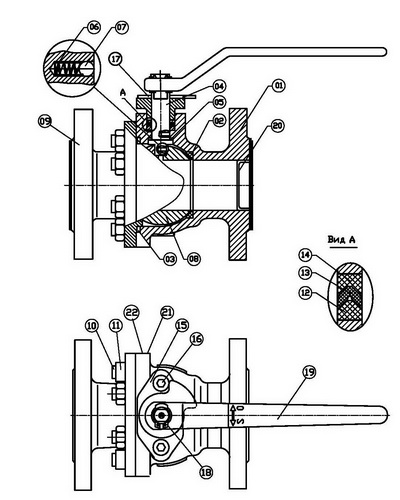
№ |
Кол-во |
Наименование детали |
Материал |
|
01 |
1 |
Корпус |
ASTM A216-WCB |
|
02 |
1 |
Кольцо седла |
ПТФЭ |
|
03 |
1 |
Прокладка корпуса |
|
|
04 |
1 |
Шток |
ASTM A105/ E.N.P. |
|
05 |
1 |
Прокладка штока |
ПТФЭ |
|
06 |
2 |
Антистатическая пружина |
AISI 302 |
|
07 |
2 |
Антистатический шар |
AISI 302 |
|
08 |
1 |
Шар |
ASTM A105/ E.N.P. |
|
09 |
1 |
Уплотнение |
ASTM A216-WCB |
|
10 |
4 |
Болты корпуса |
ASTM A193-B7 |
|
11 |
4 |
Гайки корпуса |
ASTM A194-2H |
|
12 |
1 |
Нижнее уплотнение |
ПТФЭ |
|
13 |
1 |
Среднее уплотнение |
ПТФЭ |
|
14 |
1 |
Верхнее уплотнение |
ПТФЭ |
|
15 |
1 |
Фланец с уплотнением |
ASTM A216-WCB |
|
16 |
2 |
Нажимной болт сальника |
ASTM A193-B7 |
|
17 |
1 |
Упор крышки |
CK 45/ST52 |
|
18 |
2 |
Пружинный кольцевой замок |
Углеродистая сталь |
|
19 |
1 |
Рычаг |
Чугун GG 25 |
|
20 |
2 |
Заглушка |
PE |
|
21 |
1 |
Шильник |
AISI 316 |
|
22 |
2 |
Покрытие |
Алюминий |
Увеличить изображение