Газораспределительная станция (GS-GDS-375000)
(Код товара: 147-13-372)
| Менеджер: | Владислав Викторович Боровик |
| Многоканальный тел./факс: | |
| Харьков: | (доб. 147) |
| Киевстар: | (доб. 147) |
| МТС: | (доб. 147) |
| Лайф: | (доб. 147) |
| E-mail: | |
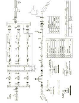
Описание

|
Техническая информация ГРС GS-GDS-375000 |
||||
|
№ |
Размер Ду |
Описания |
CLASS ANSI |
|
|
1 |
300 |
Изомуфта |
600 |
|
|
2 |
300 |
Шаровой Кран |
600 |
|
|
3 |
300 |
Шаровой Кран |
600 |
|
|
4 |
250 |
ПЗК |
300 |
|
|
5 |
400 |
Шаровой Кран |
300 |
|
|
6 |
500 |
Шаровой Кран |
300 |
|
|
7 |
500 |
Изомуфта |
300 |
|
|
8 |
300 |
Фильтр |
600 |
|
|
9 |
200 |
Осевой Регулятор Давления Газа |
600 |
|
|
10 |
Обогреватель Газа |
|||
|
11 |
Одоризатор |
|||
|
12 |
100 |
Осевой Регулятор (Подстроенно Под ПЗК) |
300 |
|
|
Параметры |
||||
|
Входное давление |
7.5 МПа |
|||
|
Выходное давление |
1.2-2.4 МПа |
|||
|
Qs |
375000 НМ3/Ч |
|||
|
Входной диаметр |
Ду 300 ANSI 600 |
|||
|
Выходной диаметр |
Ду 500 ANSI 300 |
|||
Увеличить изображение