Регулятор давления газа GS-74-27 (40, 70, 100, 160, 250, 500)
(Код товара: 147-13-321)
| Менеджер: | Владислав Викторович Боровик |
| Многоканальный тел./факс: | |
| Харьков: | (доб. 147) |
| Киевстар: | (доб. 147) |
| МТС: | (доб. 147) |
| Лайф: | (доб. 147) |
| E-mail: | |
Регуляторы давления газа серии GS-74-27 (40, 70, 100, 160, 250, 500) (далее регуляторы) предназначены для снижения давления газа и автоматического поддерживания заданного давления на выходе на постоянном уровне при изменении входного давления и расхода газа, автоматического отключения подачи газа при аварийном повышении или понижении выходного давления за пределы допустимых заданных значений в системах газоснабжения бытовых и промышленных потребителей.
Регуляторы могут использоваться для всех неагрессивных видов газа. Благодаря пружинной нагрузке регуляторы работают независимо от монтажного положения. Соединения корпуса исполнительного звена с регулирующим устройством и устройством ПЗК обеспечивают их замену, и замену сопла не снимая корпус исполнительного звена из объекта регулирования.
Технические характеристики
| Регулятор давления газа серии GS-74-27 (40, 70, 100, 160, 250, 500) | ||
| Наименование параметров | Ед. изм |
Величина параметров |
| Регулируемая среда | - | Природный газ, все неагрессивные газы |
| Давление на входе | МПа | 0,05?0,9 |
| Давление на выходе (маленькая тарелка) | кПа | 2?13,8 13,8?70 |
| Максимальная пропускная способность | м3/ч | 640 |
| Диапазон температуры рабочей среды | °С | от -30 до +60 |
| Диапазон температуры окружающей среды | от -40 до +60 | |
| Тип соединения(резьб.) | Ду | 40 |
| Масса | кг | 10 |
Интервалы регулирования выходного давления в зависимости от диаметра проволоки пружины регулятора
| Диаметр проволоки, мм | Выходное давление, кПа |
| 3,5 | от 1,53 до 2,5 |
| 4 | от 2,5 до 4,0 |
| 4,5 | от 4,0 до 7,0 |
| 6 | от 7,0 до 13,8 |
| 6(маленькая тарелка) | от 13,8 до 30 |
| 7(маленькая тарелка) | от 30 до 70 |
Диапазоны срабатывания предохранительных устройств
| Предохранительное устройство | Срабатывание пред. устройства | Диаметр пружины, мм |
Диапазон давления, кПа |
| ПСК | - | - | 3,0-25 |
| ПСК (маленькая тарелка) |
- | - | 33-72 |
| ПЗК | При повышении выходного давления | 1,6 | 2,8-5,0 |
| ПЗК | При повышении выходного давления | 2,5 | 5,0-25 |
| ПЗК | При понижении выходного давления | 0,9 | 0,5-2,5 |
| ПЗК | При повышении выходного давления | 3,0 | 31-72 |
| ПЗК | При понижении выходного давления (маленькая тарелка) | 1,0 | 28-31 |
| Заводская настройка | |||
| ПЗК | При повышении выходного давления | 1,6 | 3,5 |
| ПЗК | При понижении выходного давления | 0,9 | 1,0 |

1)Корпус; 2)ПЗК; 3)Регулирующая камера; 4)Узел ПСК; 5)Клапан камеры; 6)Клапан ПЗК; 7)Затвор; 8)Мембранный узел; 9)Пружина ПЗК; 10)Пружина; 11)Регулирующая гайка ПЗК; 12)Мембранный узел; 13)Пружина; 14)Регулирующая гайка; 15)Пружина настройки ПСК; 16)Затяжная гайка; 17)Затяжной винт; 18)Рычаг; 19)Сопло.

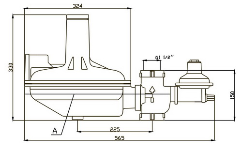
Регулирующую камеру регулятора можно повернуть вокруг оси А на 360°.
Увеличить изображение